KOTMI ‘자원순환형 셀룰로스 나노섬유소재 산업화센터’ 하반기 준공 CNF 기반 소재·부품산업 활력 제고, 섬유소재산업 지속가능성 뒷받침
![]()
KOTMI ‘자원순환형 셀룰로스 나노섬유소재 산업화센터’ 하반기 준공
CNF 기반 소재·부품산업 활력 제고, 섬유소재산업 지속가능성 뒷받침

<편집자 주>
국내 섬유제조 기반 구축의 중요 축을 담당하며, 섬유산업의 든든한 버팀목 역할을 수행하고 있는 한국섬유기계융합연구원(원장 성하경, KOTMI)이 글로벌 밸류-체인의 급격한 환경변화에 따른 섬유산업의 지속가능성을 뒷받침하기 위해 발 벗고 나섰다.
디지털 전환, 탄소중립 중심의 글로벌 생태환경 급변에 대응하기 위해 섬유 및 산업기계 토털솔루션과 첨단 융·복합소재 전문연구원으로 발전을 위해 혁신을 거듭하고 있다.
KOTMI는 산업통상자원부 산업기반구축사업을 통해 올 하반기 중으로 ‘자원순환형 셀룰로스 나노섬유소재 산업화센터’ 준공하는 한편, 2025년에는 ‘하이테크롤 첨단화 지원센터’ 구축을 추진하는 등 섬유산업의 기초체력을 근본적으로 강화할 수 있는 산업화 대응과 시너지 창출이 기대되는 신수요 연관산업과 융합을 가속화하고 있다.
본지는 한국섬유기계융합연구원이 ‘산업혁신기반구축사업’의 일환으로 추진하고 있는 ‘자원순환형 셀룰로스 나노섬유소재 산업화 센터’ 사업을 통해 ‘셀룰로스 나노섬유 산업화 현황’을 살펴봤다.
▶ 셀룰로스 나노섬유(cellulose nanofiber, CNF) 산업화현황
최근 전 세계적으로 환경 규제가 강화됨에 따라 모든 산업에서 친환경‧저탄소화에 대한 필요성과 중요성이 대두되고 있다.
기존 석유 화학계를 대체하는 바이오매스 기반 원료에 대한 수요가 증대되고 있는 가운데, 국내에서도 셀룰로스 나노섬유(cellulose nanofiber, CNF)를 이용한 지속적인 연구·개발과 함께 산업화 개발이 활발히 추진되고 있다.
식물섬유의 주요 구성성분이자 탄수화물 일종인 셀룰로스는 식물 세포의 세포벽 주성분으로 광합성을 통해 만들어진다.
그 생산량은 지구상의 생물자원 중 가장 많으며, 예로부터 종이, 목화, 대마 등으로 이용돼 왔고 최근에는 재생섬유용 원료, 차량용 소재부품 등으로 사용되고 있다.
식물의 셀룰로스는 정교한 계층구조를 이루고 있으며, 가장 작은 단위가 셀룰로스 분자쇄, 그 다음 단위가 분자쇄가 모여 구성된 셀룰로스 미세섬유(폭 3~4 nm, 길이 >2 µm, 결정화도 70~90%)로 미세섬유 간에는 매우 강한 결속력이 있어 셀룰로스 섬유를 미세섬유 단위로 분해하는 일은 쉽지 않다.
CNF는 셀룰로스 미세섬유 구조를 최소단위로 하는 고결정성 구조체로 셀룰로스 섬유 분해 상태에 따라 단일섬유형(폭 3~4 nm)과 섬유 다발형(폭 3~100 nm)으로 제조된다.
KOTMI는 응용 분야에 따라 최대 폭이 300~400nm 수준의 나노섬유를 제조하는 경우도 있으며, 식물 유래 외 미생물 공정을 통해 CNF를 제조하는 기술도 개발 중이다.
CNF는 생분해성 및 재생가능, 경량, 저열팽창, 보수성, 요변성, 증점제어성, 큰비표면적, 고강도, 망상구조 특성 및 기공제어, 가스베리어성 등의 독특한 특성을 가지고 있어 소재 복합화를 통한 다양한 상업적 응용이 가능한 소재로 평가받고 있다.
▶KOTMI의 셀룰로스 나노섬유(cellulose nanofiber, CNF) 산업화 센터
KOTMI 셀룰로스 나노섬유소재 산업화센터는 다양한 수요산업 분야별 CNF 상용화 기술개발 을 추진하고 있다.

KOTMI 셀룰로스 나노섬유소재 산업화센터 완공 이미지 (경상북도 경산시 소재)

▶셀룰로스 나노섬유 제품의 자원순환

센터는 CNF 상용화 기술지원을 위해 다양한 CNF 소재 라인-업을 구축해 수요기업별 맞춤형 소재 대응을 핵심사안으로 방향타를 설정했다.
이를 위해 국내 CNF 소재 공급기업(한솔제지, 무림P&P, 한국제지, 에이엔폴리, 씨엔엔티, 모빅신소재기술, 아시아나노텍 등)의 생산 소재와 센터 인프라 활용 지원 가능한 CNF 소재를 통합해 수요기업 대상의 개발 니즈에 적극 대응하고 있다.
또한 수요기업의 기술 상용화 대응 시 친수계로 이온성 CNF(음이온성, 양이온성), 효소 가수분해 CNF, 기계적 분쇄 CNF의 지원이 가능하며, 소수계로 아실화 CNF 지원도 가능한 환경을 구축하고 있다.


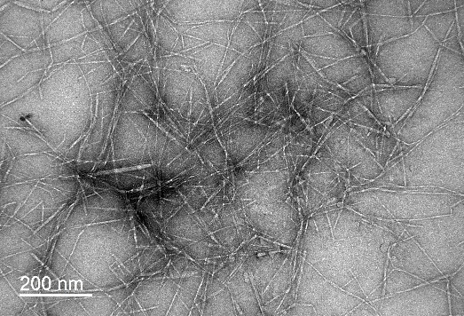
▶이온성 CNF(좌), 효소 가수분해 CNF(우) 이미지
▷TEMPO 산화 전처리를 통해 제조된 음이온성 CNF는 대표 단일섬유형 CNF로 코팅 시 표면 평활성 및 배리어성이 우수해 소재 복합화를 통한 위생용 통기성 필름의 친환경 코팅제 및 기능성 섬유 원단의 친환경 코팅 가공제, 식품 포장용지의 수성 코팅제 등으로 상용화 기술개발이 진행됐다.
이 밖에도 차량 언더커버 제작을 위한 수성 바인더 물성 강화제, 고무제품의 카본블랙 대체재, 샴프바 보강재, 친환경 아이스팩 보냉재로도 활용되고 있다.
최근에는 바이오 분야 오가노이드 개발 관련 세포 지지체로 응용분야를 넓히고 있다.
▷아실화 CNF는 나노섬유화를 위한 화학전처리 방법으로 아실화법을 사용해 부분 소수화 개질된 섬유다발형 CNF 제조가 가능하다.
아실화 CNF는 고무 복합소재 분야에도 응용 가능하고, 유리섬유 대체재로 개발되어 주로 플라스틱 복합소재 제작에 활용되고 있다.
차량 인테리어, 조향장치용 기어 부품 개발 및 3D 프린트용 친환경 필라멘트 개발에 상용화 개발이 진행되고 있다.
▷효소 가수분해 CNF는 겔 타입의 반투명 성질을 갖고 식품 효소공정을 따라 제조되어 식용 가능해 식용 코팅제 등 식품·바이오 분야 및 생체재료 응용 분야에 상용화 개발이 추진되고 있다.
▷기계적 분쇄 CNF는 연속 습식 웹 제조가 가능해 주로 배터리 및 슈퍼커패시터 분리막, 에어필터 원단, 마스크 필터, FRP용 부직포 제조 등의 상용화 개발 분야에 주요 소재로 활용되고 있다.
나노섬유소재 산업화 센터는 22년부터 매년 CNF 수요기업 중심으로 제품화 아이템을 모집하고 CNF 상용화 기술지원(시제품제작/ 시험평가인증/ 기술지도자문)을 실시하고 있다.
올해도 산업분야별 12개 기업((주)퓨리켐, ㈜우성케미칼, ㈜지오엠, ㈜리아씨엔에프, 수텍스(주), 바이온머티리얼(주), ㈜코뉴, ㈜씨에이랩, ㈜엘에스비, ㈜나노이닉스, 에코필텍(주), 제이디엠(주))을 모집·완료하고 CNF 상용화 신규 기술지원을 시작했다.

▶23년도 CNF 상용화 기술지원 성과보고회 현장 (서울 코엑스 ESG 친환경 대전)
‘자원순환형 셀룰로스 나노섬유소재 산업화 센터’사업을 전담하고 있는 KOTMI 바이오융합연구센터 정용일 센터장은 “현재 진행되고 있는 CNF 소재 상용화 개발은 순환경제 관점에서 국내 산업경쟁력 강화에 기여할 것으로 기대하며, 급속히 변하고 있는 글로벌 산업경제 환경하에서 국내 중소·중견 제조기업의 생존전략으로 활용되기를 바란다”고 밝혔다.
정 센터장은 또 “CNF 산업화 분야는 연구개발, 설비구축, 그리고 시장 발굴에 대한 상당한 투자를 요할 수도 있겠지만, 그럼에도 불구하고 CNF의 독특한 특성과 지속 가능한 소재의 잠재력이 기업과 시장으로 하여금 CNF 소재 상용화를 위한 지속적인 도전을 이끌어낼 것”이라고 강조했다.
<김진일 기자>
http://www.ktenews.co.kr/bbs/board.php?bo_table=textile&wr_id=5525
한국섬유경제
한국섬유개발연구원, ‘... 한국섬유개발연구원, ‘지속가능한 미래 융합소재 기술동향...
www.ktenews.co.kr
뉴스 정보 서비스 | 스마트텍스크루 | 대한민국
한국섬유경제신문 온라인 부록판 스마트텍스크루는 우리나라 섬유소재 산업의 특화, 발전을 위한 뉴스 정보 서비스입니다.
www.smarttexcrew.com